41+ Electronic Amplifier Circuit Diagram Pics

An amplifier is an electronic device or circuit which is used to increase the magnitude of the signal applied to its input.

41+ Electronic Amplifier Circuit Diagram Pics. .audio amplifier circuit diagram stereo amplifier power amplifier circuit electronic circuit diagram headphone amplifier 2000w power amplifier schematic diagram circuit diagrams power amplifier design power amplifier rakitan amplifier not working simple amplifier circuit diagram power amp. Please remember that always use original or good quality one transistor.

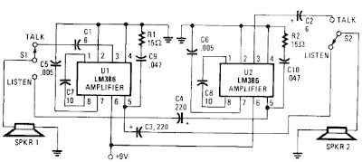
LM386 based electronic intercom circuit with explanation ...
LM386 based electronic intercom circuit with explanation ... from 4.bp.blogspot.com
4558 ic audio power amplifier circuit diagram circuitspedia.com this is circuit diagram of powerful audio amplifier. Stereo amplifier circuit diagram we are going to design here is basically the combination of two mono audio amplifier. I am not a hifi geek, i.

Its function is to amplify the difference.

Circuit symbols are used in circuit diagrams (schematics) to represent electronic components. A transistor amplifies current and can be used with other components to make an amplifier or switching circuit. Circuitdiagram.net provides huge collection of electronic circuit design : Our circuit library hosts about 200+ electronic circuit diagrams categorized based on functionality making it easier for you to browse and learn.