Get Electronic Voltage Amplifier Circuit Images

The current through a series resistor circuit is the same for each resistor, so the input voltage vin will be proportional to the resistance of rin and the voltage across rf will be proportional to the resistance of.

Get Electronic Voltage Amplifier Circuit Images. For example, a sensor may have the capability to produce a voltage or current corresponding to a particular physical quantity it sense but it may not have the power to drive circuitry it is connected to. A voltage amplifier circuit is a circuit that amplifies the input voltage to a higher voltage.

OCL Power Amplifier Circuit MJ15003,MJ15004 in 2020 ...
OCL Power Amplifier Circuit MJ15003,MJ15004 in 2020 ... from i.pinimg.com
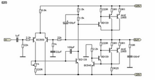
Thanks a lot to be with us. And the diode will be a minimum of 20 amperes. In the simplest electronic terms, a voltage amplifier is any amplifier that creates a voltage output higher than the input voltage originally fed a voltage amplifier does not supply power, but merely increases the amount of power coming through a given circuit in order to obtain a desired result.

Learn what a voltage follower is, its circuit diagram, formula, and the gain of voltage followers.

And the diode will be a minimum of 20 amperes. A wide variety of voltage amplifier circuit options are available to you, such as 2 (2.0), 3 (2.1). Improved 3 transistor audio amp electronic circuit. The voltage gain of q2 (av = 1.4) is particularly low due to its load resistance being the base to emitter junction voltage of q3.